Nissan Cooling Fan Relay . The website for fuse locations (which i can't link,. Web i have a 2016 nissan versa and am trying to diagnose why the radiator fan isn't working. Web i know there's a cooling fan relay at the radiator. Web the cooling fan relay is normally located in either the underhood fuse and relay center or mounted to the electric fan assembly behind the radiator. Web but before we go down that path, try the following test to make sure the cooling fans are going to work. Web shop nissan versa engine cooling fan motor relay. Radiator, shroud and inverter cooling. Fan only works and cools the engine while driving above 25mph. Are these 2 supposed to be.
from www.2carpros.com
Are these 2 supposed to be. Web but before we go down that path, try the following test to make sure the cooling fans are going to work. Web shop nissan versa engine cooling fan motor relay. Fan only works and cools the engine while driving above 25mph. Web i know there's a cooling fan relay at the radiator. Web i have a 2016 nissan versa and am trying to diagnose why the radiator fan isn't working. The website for fuse locations (which i can't link,. Web the cooling fan relay is normally located in either the underhood fuse and relay center or mounted to the electric fan assembly behind the radiator. Radiator, shroud and inverter cooling.
Both Radiator Fans Stopped Working/ Fan Relay
Nissan Cooling Fan Relay Fan only works and cools the engine while driving above 25mph. Web but before we go down that path, try the following test to make sure the cooling fans are going to work. Web the cooling fan relay is normally located in either the underhood fuse and relay center or mounted to the electric fan assembly behind the radiator. Web shop nissan versa engine cooling fan motor relay. The website for fuse locations (which i can't link,. Fan only works and cools the engine while driving above 25mph. Web i have a 2016 nissan versa and am trying to diagnose why the radiator fan isn't working. Radiator, shroud and inverter cooling. Web i know there's a cooling fan relay at the radiator. Are these 2 supposed to be.
From www.justanswer.com
2014 nissan versa cooling fan not coming on. Checked the fuse under the Nissan Cooling Fan Relay Web the cooling fan relay is normally located in either the underhood fuse and relay center or mounted to the electric fan assembly behind the radiator. Are these 2 supposed to be. Radiator, shroud and inverter cooling. Web shop nissan versa engine cooling fan motor relay. Web i have a 2016 nissan versa and am trying to diagnose why the. Nissan Cooling Fan Relay.
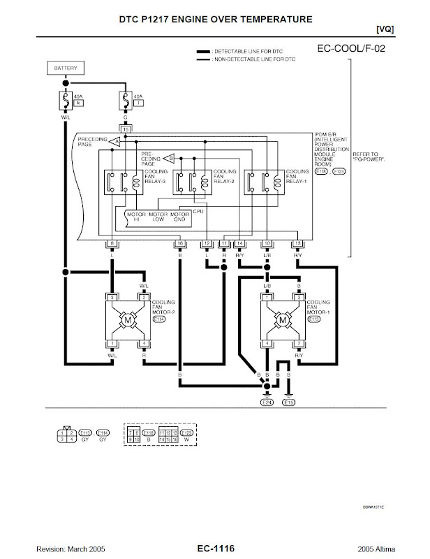
From workshop-manuals.com
Nissan and Datsun Service and Repair Manuals > Armada 2WD V85 Nissan Cooling Fan Relay Web but before we go down that path, try the following test to make sure the cooling fans are going to work. Fan only works and cools the engine while driving above 25mph. Are these 2 supposed to be. Web shop nissan versa engine cooling fan motor relay. The website for fuse locations (which i can't link,. Radiator, shroud and. Nissan Cooling Fan Relay.
From www.justanswer.com
I have a 2005 nissan sentra 1.8s and i need to find the location of the Nissan Cooling Fan Relay Web shop nissan versa engine cooling fan motor relay. Web i have a 2016 nissan versa and am trying to diagnose why the radiator fan isn't working. Radiator, shroud and inverter cooling. Fan only works and cools the engine while driving above 25mph. Are these 2 supposed to be. The website for fuse locations (which i can't link,. Web i. Nissan Cooling Fan Relay.
From automotorpad.com
Nissan cooling fan wiring Nissan Cooling Fan Relay Web the cooling fan relay is normally located in either the underhood fuse and relay center or mounted to the electric fan assembly behind the radiator. Fan only works and cools the engine while driving above 25mph. Web shop nissan versa engine cooling fan motor relay. The website for fuse locations (which i can't link,. Are these 2 supposed to. Nissan Cooling Fan Relay.
From www.proxyparts.com
Nissan Qashqai Cooling fin relays stock Nissan Cooling Fan Relay Are these 2 supposed to be. Radiator, shroud and inverter cooling. The website for fuse locations (which i can't link,. Fan only works and cools the engine while driving above 25mph. Web but before we go down that path, try the following test to make sure the cooling fans are going to work. Web i know there's a cooling fan. Nissan Cooling Fan Relay.
From www.ebay.com
252307995a Nissan Relay 252307995A Genuine OEM Part for sale online eBay Nissan Cooling Fan Relay Web the cooling fan relay is normally located in either the underhood fuse and relay center or mounted to the electric fan assembly behind the radiator. Radiator, shroud and inverter cooling. Fan only works and cools the engine while driving above 25mph. The website for fuse locations (which i can't link,. Web but before we go down that path, try. Nissan Cooling Fan Relay.
From www.yourmechanic.com
How to Replace a Cooling Fan Relay on Most Vehicles YourMechanic Advice Nissan Cooling Fan Relay Web the cooling fan relay is normally located in either the underhood fuse and relay center or mounted to the electric fan assembly behind the radiator. Fan only works and cools the engine while driving above 25mph. Are these 2 supposed to be. Radiator, shroud and inverter cooling. Web i have a 2016 nissan versa and am trying to diagnose. Nissan Cooling Fan Relay.
From www.2carpros.com
Cooling Fan Relay Location Where Is the Radiator Fan Relay Nissan Cooling Fan Relay Are these 2 supposed to be. Fan only works and cools the engine while driving above 25mph. Radiator, shroud and inverter cooling. Web shop nissan versa engine cooling fan motor relay. Web but before we go down that path, try the following test to make sure the cooling fans are going to work. The website for fuse locations (which i. Nissan Cooling Fan Relay.
From www.carid.com
TruParts® Nissan Pathfinder 2002 Engine Cooling Fan Motor Relay Nissan Cooling Fan Relay Web the cooling fan relay is normally located in either the underhood fuse and relay center or mounted to the electric fan assembly behind the radiator. Are these 2 supposed to be. Radiator, shroud and inverter cooling. Web but before we go down that path, try the following test to make sure the cooling fans are going to work. Web. Nissan Cooling Fan Relay.
From www.justanswer.com
Nissan Sentra Radiator Fan Q&A on Relay Location, Replacement & More Nissan Cooling Fan Relay Web the cooling fan relay is normally located in either the underhood fuse and relay center or mounted to the electric fan assembly behind the radiator. Web but before we go down that path, try the following test to make sure the cooling fans are going to work. Web i have a 2016 nissan versa and am trying to diagnose. Nissan Cooling Fan Relay.
From www.yourmechanic.com
How to Replace a Cooling Fan Relay on Most Vehicles YourMechanic Advice Nissan Cooling Fan Relay Web shop nissan versa engine cooling fan motor relay. Radiator, shroud and inverter cooling. Web the cooling fan relay is normally located in either the underhood fuse and relay center or mounted to the electric fan assembly behind the radiator. Web i know there's a cooling fan relay at the radiator. The website for fuse locations (which i can't link,.. Nissan Cooling Fan Relay.
From www.nissanclub.com
Cooling fans aren't working Nissan Forums Nissan Forum Nissan Cooling Fan Relay Web shop nissan versa engine cooling fan motor relay. Web i have a 2016 nissan versa and am trying to diagnose why the radiator fan isn't working. The website for fuse locations (which i can't link,. Are these 2 supposed to be. Radiator, shroud and inverter cooling. Web the cooling fan relay is normally located in either the underhood fuse. Nissan Cooling Fan Relay.
From www.youtube.com
Nissan Sentra Cooling Fan Replacement YouTube Nissan Cooling Fan Relay Radiator, shroud and inverter cooling. Fan only works and cools the engine while driving above 25mph. Web i have a 2016 nissan versa and am trying to diagnose why the radiator fan isn't working. The website for fuse locations (which i can't link,. Web but before we go down that path, try the following test to make sure the cooling. Nissan Cooling Fan Relay.
From www.autoelectronico.com
NISSAN COOLING FANS SYSTEM DIAGRAMAS VENTILADORES, ABANICOS Nissan Cooling Fan Relay The website for fuse locations (which i can't link,. Are these 2 supposed to be. Radiator, shroud and inverter cooling. Fan only works and cools the engine while driving above 25mph. Web i have a 2016 nissan versa and am trying to diagnose why the radiator fan isn't working. Web i know there's a cooling fan relay at the radiator.. Nissan Cooling Fan Relay.
From conceptzperformance.com
Nissan / Infiniti Nissan OEM Fog Light & Ignition Coil Relay Nissan Nissan Cooling Fan Relay Web shop nissan versa engine cooling fan motor relay. Web i know there's a cooling fan relay at the radiator. Web but before we go down that path, try the following test to make sure the cooling fans are going to work. The website for fuse locations (which i can't link,. Radiator, shroud and inverter cooling. Web i have a. Nissan Cooling Fan Relay.
From www.nissanofbayshoreparts.com
Nissan Sentra Engine Cooling Fan Motor Relay. ROOM, RADIATOR, FITTING Nissan Cooling Fan Relay Web the cooling fan relay is normally located in either the underhood fuse and relay center or mounted to the electric fan assembly behind the radiator. Radiator, shroud and inverter cooling. The website for fuse locations (which i can't link,. Web but before we go down that path, try the following test to make sure the cooling fans are going. Nissan Cooling Fan Relay.
From parts.nissanusa.com
2021 Nissan Kicks Engine Cooling Fan Motor Relay. Engine Cooling Fan Nissan Cooling Fan Relay Are these 2 supposed to be. Web shop nissan versa engine cooling fan motor relay. Web i have a 2016 nissan versa and am trying to diagnose why the radiator fan isn't working. Radiator, shroud and inverter cooling. Web but before we go down that path, try the following test to make sure the cooling fans are going to work.. Nissan Cooling Fan Relay.
From fixenginelehrer99.z19.web.core.windows.net
Radiator Fan Relay 05 Nissan Maxima Nissan Cooling Fan Relay Web i know there's a cooling fan relay at the radiator. Web the cooling fan relay is normally located in either the underhood fuse and relay center or mounted to the electric fan assembly behind the radiator. Are these 2 supposed to be. Web shop nissan versa engine cooling fan motor relay. Web i have a 2016 nissan versa and. Nissan Cooling Fan Relay.